Support this website by joining the Silver Rails TrainWeb Club for as little as $1 per month. Click here for info.



This website has been archived from TrainWeb.org/jlsrr to TrainWeb.US/jlsrr.

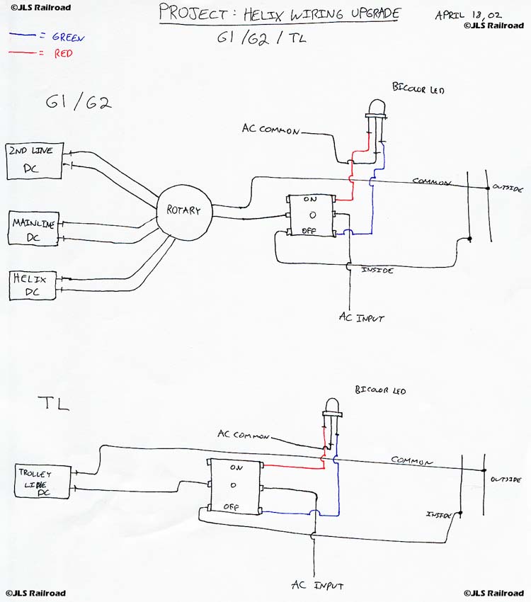
Helix Wiring Upgrade Plans:
Phase 6
April 18, 2002

Back to the JLS Railroad Plans Archive

The electrical schematic of the G1, newly created G2, as well as the Trolley Line Blocks...

 

Back to the JLS Railroad Plans Archive
ad pos61 ad pos63
ad pos62 ad pos64



Support this website by joining the Silver Rails TrainWeb Club for as little as $1 per month. Click here for info.